
8噸履帶起重機
使用概述
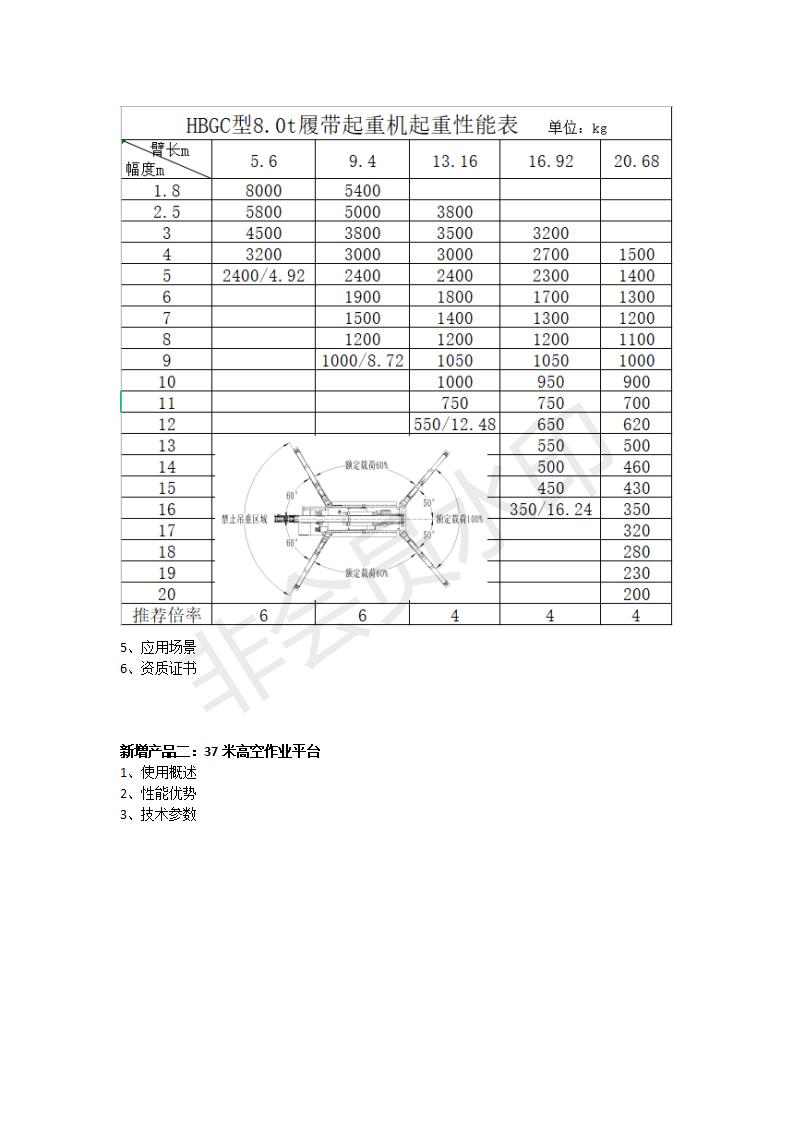
技術參數
型號 | HXB型8t履帶起重機 | |
規格 | 8.05tx1.8m | |
最大工作半徑 | 19.246m | |
最大地面提升高度 | 20.6m | |
卷揚 | 吊鉤上升速度 | 17m/min |
鋼絲繩規格 | Φ10mmx150m | |
伸縮 | 吊臂形式 | 5節臂 |
吊臂長 | 5.526mm(全縮)-19.926mm(全伸) | |
起伏 | 吊臂角度 | 0-80° |
回轉 | 回轉角度 | 360°連續旋轉 |
支腿 | 支腿形式 | 蛙式 |
最大伸出距離 | (前)5170x(橫)5807x(后)5423mm | |
行走裝置 | 行走方式 | 液壓行走 |
行走速度 | 0-3km/h | |
履帶 | 合成橡膠 | |
爬坡能力 | 36% | |
接地比壓 | 59.5Kpa | |
液壓油箱容積 | 120L | |
長x寬x高 | 5830x1360x2190mm | |
整機重量 | 7500Kg | |
安全裝置 | 力矩控制器、高度限位裝置、報警燈、支腿保護裝置、急停按鈕、水平儀 | |
選配裝置 | 比例遙控、支腿失壓保護裝置、工作斗 | |

